D643H Pneumatic Triple Eccentric Hard Seal Butterfly Valve
Product overview
Product model: D643H
Nominal diameter: DN50 ~ 1200mm
Nominal pressure: PN0.6 ~ 4.0MPa
Applicable temperature: -40 ℃~425 ℃
Applicable medium: gas, air, steam, water, sea water, oil, etc
Body material: cast steel, stainless steel, alloy steel, etc
Drive mode: manual, worm gear drive, pneumatic, hydraulic, electric, electric hydraulic linkage, etc
Design standard: GB/T12238-2008
Structure length: GB/T12221-2005
Connection standard: JB/T 79.1-1994
Pressure test: GB/T13927-2008
D643H Pneumatic Triple Eccentric Hard Seal Butterfly Valve product description
D643H Pneumatic Triple Eccentric Hard Seal Butterfly Valve produced and sold by Baigang valve group are widely used in petroleum,
chemical, power, metallurgy, food, medicine, textile, paper and other
industries can be installed in the temperature ≤ 425 ℃, the medium for
gas, air, steam, water, sea water, oil Industrial pipe network for
regulating the flow and cut off the media.
Drive in the form of
manual, worm gear, pneumatic, hydraulic, electric, electro-hydraulic
linkage and other implementing agencies, enabling long-distance control
and automation. Metal seal butterfly valve products, the Department of
long life, energy-saving butterfly valve. The structure of the
three-dimensional schematic design of the heart, the seat with a hard
and soft seal-compatible multi-level structure, exquisite workmanship,
advanced technology. The product from the valve body, disc, multi-level
valve seat, stem, transmission and other major components. Therefore, it
is widely used in metallurgy, electric power, petroleum, chemical, air,
gas, combustible gas and plumbing and other corrosive media pipeline.
D643H Pneumatic Triple Eccentric Hard Seal Butterfly Valve Features
Because this product butterfly valve is the use of three-dimensional design of the eccentric principle, so that the seal surface space trajectory idealized, the sealing surface between no friction, no interference, combined with the sealing material properly selected, so that the butterfly valve sealing, corrosion resistance , High temperature resistance and wear resistance has been a reliable guarantee. Its main features are as follows:
1, the opening torque is small, flexible and convenient, saving energy.
2,
three-dimensional structure of the heart, the more close the more tight
disc, the sealing performance is reliable, to no leakage.
3, high pressure, corrosion resistance, wear resistance, long life and so on.
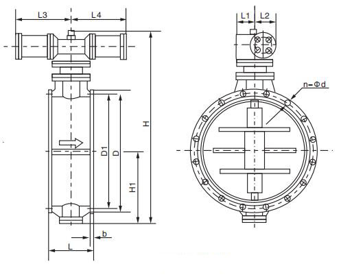
D643H Pneumatic Triple Eccentric Hard Seal Butterfly Valve main dimensions

| Nominal diameter (DN) | Main dimensions | Flange size and bolt size | ||||||||||
| 1.0MPa | 1.6MPa | 2.5MPa | ||||||||||
| L | H1 | H | D | D1 | n-Фd | D | D1 | n-Фd | D | D1 | n-Фd | |
| 50 | 108 | 350 | 112 | 165 | 125 | 4-18 | 165 | 125 | 4-18 | 165 | 125 | 4-18 |
| 65 | 112 | 370 | 115 | 185 | 145 | 4-18 | 185 | 145 | 4-18 | 185 | 145 | 8-18 |
| 80 | 114 | 380 | 120 | 200 | 160 | 4-18 | 200 | 160 | 8-18 | 200 | 160 | 8-18 |
| 100 | 127 | 420 | 138 | 220 | 180 | 8-18 | 220 | 180 | 8-18 | 235 | 190 | 8-22 |
| 125 | 140 | 460 | 164 | 250 | 210 | 8-18 | 250 | 210 | 8-18 | 270 | 220 | 8-26 |
| 150 | 140 | 555 | 175 | 285 | 240 | 8-22 | 285 | 240 | 8-22 | 300 | 250 | 8-26 |
| 200 | 152 | 760 | 200 | 340 | 295 | 8-22 | 340 | 295 | 12-22 | 360 | 310 | 12-26 |
| 250 | 165 | 830 | 243 | 395 | 350 | 12-22 | 405 | 355 | 12-26 | 425 | 370 | 12-30 |
| 300 | 178 | 895 | 250 | 445 | 400 | 12-22 | 460 | 410 | 12-26 | 485 | 430 | 16-30 |
| 350 | 190 | 950 | 280 | 505 | 460 | 16-22 | 520 | 470 | 12-26 | 555 | 490 | 16-33 |
| 400 | 216 | 1190 | 305 | 565 | 515 | 16-26 | 580 | 525 | 16-26 | 620 | 550 | 16-36 |
| 450 | 222 | 1255 | 350 | 615 | 565 | 20-26 | 640 | 585 | 16-30 | 670 | 600 | 20-36 |
| 500 | 229 | 1305 | 380 | 670 | 620 | 20-26 | 715 | 650 | 20-30 | 730 | 660 | 20-36 |
| 600 | 267 | 1340 | 445 | 780 | 725 | 20-30 | 840 | 770 | 20-33 | 845 | 770 | 20-39 |
| 700 | 292 | 1520 | 480 | 895 | 840 | 24-30 | 910 | 840 | 24-36 | 960 | 875 | 24-42 |
| 800 | 318 | 1710 | 530 | 1015 | 950 | 24-33 | 1025 | 950 | 24-39 | 1085 | 990 | 24-48 |
| 900 | 330 | 1810 | 580 | 1115 | 1050 | 28-33 | 1125 | 1050 | 28-39 | 1185 | 1090 | 28-48 |
| 1000 | 410 | 1960 | 650 | 1230 | 1160 | 28-36 | 1255 | 1170 | 28-42 | 1320 | 1210 | 28-56 |
| 1200 | 470 | 2250 | 760 | 1455 | 1380 | 32-39 | 1485 | 1390 | 32-48 | 1530 | 1420 | 32-56 |
Reminder:
All text, data and pictures in this article are for reference only.To see more details of the D643H Pneumatic Triple Eccentric Hard Seal Butterfly Valve performance parameters, structural dimension parameters, pricing, etc., or to request high quality printing samples, please Contact us.